新疆气化用煤煤质特点及结渣性研究

毛燕东,怀俊天,芦 涛,刘 雷,李克忠

(新奥科技发展有限公司 煤基低碳能源国家重点实验室,河北 廊坊 065001)

摘 要:新疆煤炭储量丰富,煤质反应活性高,适用于煤电、煤化工生产。煤催化气化技术,作为先进的第3代气化技术,是煤制天然气最有效的工艺途径之一。本研究在新疆伊犁及准东煤化工基地选取6种典型煤种,研究其煤质属性,考察其作为催化气化用煤的适用性。在催化气化工况气氛下利用压差法烧结温度测定装置对各煤灰进行初始烧结温度测试,并结合XRD及Factsage热力学软件计算结果,推测灰中矿物质间的反应及矿物的转变特性,研究矿物质变迁规律,探索结渣性及结渣机理。结果表明,所选地区煤种的煤灰中因难熔化合物氧化铝较低、碱性化合物高,总体灰熔点不高,对于采用固态排渣形式的煤气化工艺具有相对较高的结渣风险。所选煤种总体灰熔点较低,具有高钾钠、低铝特点的准东煤(西黑山、大井矿)更易结渣,用于催化气化工艺结渣风险高。哈密广汇煤具有相对高的熔融温度,作为催化气化工艺用煤结渣较小。负载碳酸钾催化剂后,煤灰烧结温度发生了大幅降低;而钙催化剂添加对烧结温度的影响,受煤种灰成分影响较大。煤灰中硅含量高,添加K催化剂会进一步加剧结渣风险;对于铁含量高的煤,在还原性气氛下,添加K、Ca催化剂均存在较大结渣风险。对于灰分低的煤种,碳酸钾催化剂添加对煤灰熔点及烧结温度影响较大;催化气化工况气氛下,煤灰中硅、铁、钙矿物质的存在使结渣加剧。

关键词:新疆煤;煤催化气化;烧结温度;Factsage;结渣性

新疆煤炭储量丰富,预测储量约为2.19万亿t,约占全国预测总量的40%,位居全国首位。从煤炭资源的地质时代上看,侏罗纪是新疆成煤的主要时期。新疆煤炭资源总体禀赋条件好、煤层厚、煤种齐全。其中以低变质烟煤为主,占预测总储量的80.9%;炼焦用煤次之,占预测总储量的19%;贫煤、无烟煤、褐煤最少。煤质多具备特低硫-低硫、低磷、高挥发分、高热值的特点,同时,煤的反应活性高,适用于煤电、煤化工生产[1-3]

结合新疆煤田各自煤种、成煤期、赋存条件等特点,自治区规划到2020 年建成吐哈、准东、伊犁、库拜、克拉玛依-和布克赛尔5个煤化工基地,其中以伊犁、准东煤炭基地为重点,大力发展煤制气项目。

煤催化气化技术,作为先进的第3代气化技术,是煤制天然气最有效的工艺途径之一。该技术不同于传统煤制天然气工艺,通过添加催化剂将煤气化、变换和甲烷化3种反应耦合在一个加压流化床气化炉中进行,实现一步合成煤基天然气。煤催化气化制天然气技术对我国较为丰富的低阶煤资源具有很好的适应性,能源转化效率、环保指标均可满足国家要求,比水耗、比煤耗相比现有煤制气技术优势明显,通过该技术可实现低阶煤资源的高效开发和清洁化利用,弥补我国天然气需求快速增长形成的供应缺口,市场前景良好[4-11]

煤催化气化工艺中,碱金属催化剂的引入可有效降低反应温度、提高反应速率,并提高目的产物的收率,但在反应工况下碱金属催化剂会与同煤中含硅铁钙的矿物质反应生成低温共融物,显著降低煤的灰熔点及烧结温度;低温共融物的存在会加剧煤灰颗粒相互黏结成块,尤其是在流化床反应器中,会影响流化状态,严重时排渣困难、甚至失流化,致使反应器难于连续稳定运行[12-19]

结合国家相关政策导向及新疆自治区相关规划,笔者在准东、伊犁地区典型矿区选取多个煤种,就其煤质属性进行分析,结合该地区煤种灰分中碱性化合物含量高、灰熔点低、气化过程中易结渣的特点[20-25]重点考察其作为催化气化用煤的适应性,研究其气化结渣性,为新疆地区煤制气项目选煤、用煤提供指导。

1 实验部分

1.1 实验原料

1.1.1 原料煤

原料煤选自新疆准东、伊犁地区典型矿区的6个煤种:伊犁四矿、伊犁一矿、大井矿、西黑山、富蕴广汇、哈密广汇,分别标记为YS,YY,DJ,XHS,FY,HM,各煤种煤质分析结果见表1。

表1 各煤种煤质分析
Table 1 Relevant analysis data of various coals

煤种工业分析/%MadAdVdFCd元素分析/%(干燥基)CdHdNdSdOd灰成分/%Al2O3CaOFe2O3K2OMgONa2OTiO2SO3SiO2P2O5YS17.421.734.443.961.13.61.00.711.911.77.37.60.82.01.20.75.955.90.1YY17.211.934.154.066.43.90.70.716.51.814.454.303.50.40.113.12.00DJ16.24.128.867.277.63.80.50.413.63.329.96.40.49.67.00.122.26.70XHS13.33.130.266.878.74.30.80.212.910.021.92.20.613.414.90.310.613.40.1HM16.310.245.744.168.25.01.00.415.316.422.88.20.50.92.40.710.330.20.1FY6.28.045.746.368.25.50.90.916.66.338.918.801.43.20.122.46.00.1

1.1.2 催化剂

选用的K2CO3,CaO来自天津化学试剂有限公司,为分析纯99.0%的无水碳酸钾和氧化钙。

1.2 实验装置及条件设定

1.2.1 压差法烧结温度测定装置

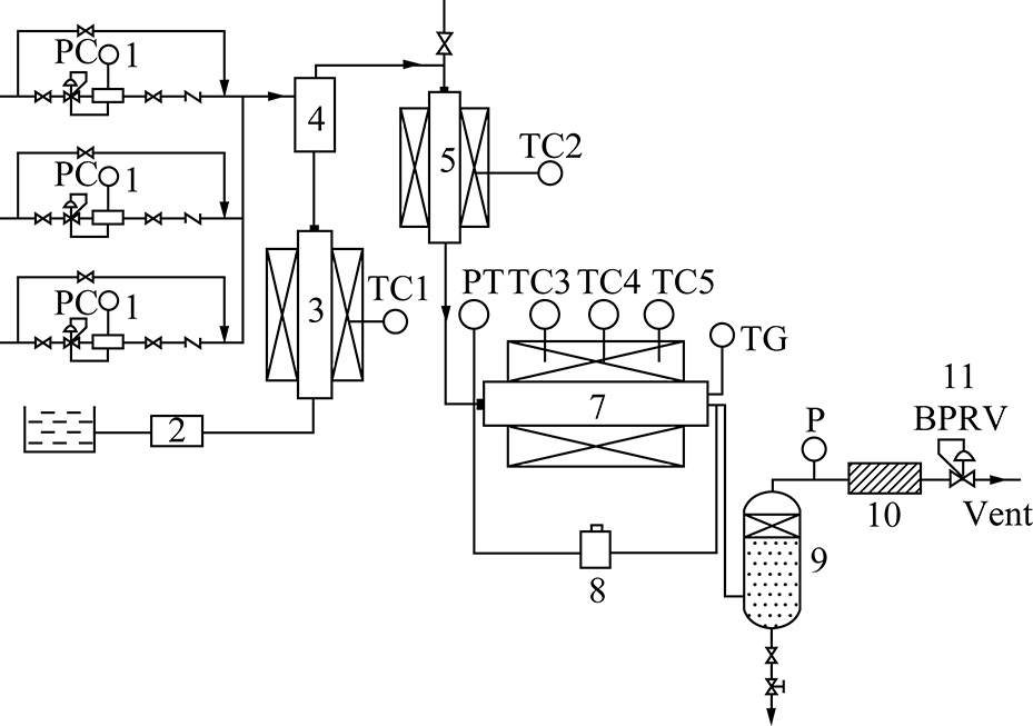
实验装置包括3路进气系统(H2,CO,N2)、水蒸汽系统(加压双柱塞水泵、蒸汽发生器器)、压差法烧结温度测定水平管及电加热炉、仪表控制系统(测温热电偶、压差传感器、压力计等)、气液分离装置、干燥器、背压阀等。具体如图1所示。

图1 试验设备示意
Fig.1 Schematic diagram of the experiment setup 1—质量流量计;2—水泵;3—蒸汽发生器;4—混合器; 5—预热器;6—安全阀;7—压差阀烧结温度测定系统; 8—压差传感器;9—气液分离器;10—干燥器;11—背压阀

按标准NY/T 1881.5—2010对煤样进行550 ℃灰化处理,将处理得到的灰样,在玛瑙研钵中进行研磨处理,得到粒径小于180 μm的灰粉。之后采用该煤灰进行烧结温度测定;称取待测灰样1.5 g制成灰柱置于内径12 mm、长94 mm的水平反应管中,用氮气置换反应管中的空气并给系统充压,调节背压阀使系统压力稳定在指定反应压力下,之后按设定程序进行升温(550 ℃之前升温速率控制为10 ℃/min,550 ℃之后升温速率控制为5 ℃/min),反应管内温度达400 ℃后开启水泵,将水蒸气,H2,CO气体介质按一定流量(水蒸气0.65 g/min、H2 0.26 L/min、CO 0.087 L/min)通入反应管中,同时打开压差传感器两端阀门,获取压差随温度变化的曲线,测得烧结温度。本压差法烧结温度测定技术的实验重复性在±10 ℃内。

1.2.2 实验条件设定

设定反应压力为3.5 MPa,反应气氛为催化气化工况气氛(物质的量比H2O∶H2∶CO=70.0∶22.5∶7.5),测定各煤灰的烧结温度,考察其结渣性。

1.3 分析及表征方法

将灰样于玛瑙研钵中研磨至粒径小于75 μm,通过X射线衍射法(XRD:Bruker D8 Focus)检测其物相组分。测试条件为:Cu靶、管电压40 kV、管电流40 mA、扫描范围5°~80°(2θ)、扫描速度8°/min。

Factsage热力学系统,可以对不同温度、不同气氛下可能发生的全部化学反应和热力学状态进行模拟,用它可以模拟计算出煤中各种矿物质在反应过程中的物相变化和相互间的化学变化过程,与实验得出的结果进行对比验证[26-29]。在本研究中,首先将煤灰的组成简化为8种氧化物:Al2O3,CaO,Fe2O3,Na2O,K2O,MgO,SiO2,SO3,对指定工况下不同煤灰组成原料,采用Factsage 7.0软件Equilib模块进行计算,其采用Gibbs自由能最小原理,根据输入的反应物计算达到平衡时各产物种类及组成,得出指定工况下产物刚开始出现液相及全部产物都转化为液相时的温度,同时计算不同温度下,主要产物组成的变化,进而得出各煤灰的熔融性及矿物质随温度变迁规律。

2 结果与讨论

2.1 不同煤种熔融特性及灰中矿物质赋存状态

本研究针对选取的6种新疆煤,采用国标GB/T 219—2008规定的方法于还原性气氛下进行灰熔点测定,结果见表2。

表2 不同煤种灰熔点
Table 2 Ash fusion temperatures of samples

煤样灰熔点/℃(还原性气氛a)DT变形温度ST软化温度HT半球温度FT流动温度YS1 1361 1811 2001 335YY1 0911 1131 1701 260DJ1 3011 4291 4391 451XHS1 3021 3621 3961 451HM1 1371 2631 2821 305FY1 2741 2911 2921 305

注:a设定H2与CO2物质的量比为1∶1。

由表1可知,所选地区煤种整体灰熔点不高,流动温度都在1 450 ℃以下,且变形及软化温度相对高灰熔点煤种(1 500 ℃以上)存在较大差距。结合表1各煤种灰成分分析发现:各煤种煤灰中难熔酸性化合物氧化铝含量整体较低、熔点较低的碱性化合物如铁、钙、钾、钠等的含量高,而各煤种氧化硅含量变化较大,但氧化硅含量对灰熔点的影响受煤灰中碱性化合物种类及含量影响较大[30]

为了便于指标对比,通常将煤灰成分简化为氧化物形式,但真实灰渣中矿物质并非仅仅以氧化物形式存在,为了进一步获取各煤种灰中矿物质真实赋存状态,进而探索各煤种灰熔融特性及结渣性差异的原因,对不同煤种灰样进行XRD分析,XRD谱图如图2所示。

图2 不同煤种煤灰XRD分析结果
Fig.2 XRD results of different coal ashes

由谱图2可知:YS煤灰中的矿物质主要为石英、方解石、黄铁矿、硬石膏及镁的硅酸盐,黄铁矿、硬石膏及碱性金属的硅酸盐熔点均较低,且在高温下其相互反应会生成熔点更低的矿物质;YY煤中矿物质主要以赤铁矿、硬石膏及方解石形式存在,且赤铁矿含量较高,还原性气氛下,铁会以二价铁形式存在,其熔点较低,容易和灰中其他矿物质反应生成熔点更低的物质,导致灰熔点较低;DJ煤和XHS煤的矿物质组成较为接近,主要为硬石膏、方解石、黄铁矿、钠的碳酸盐、氧化镁、钙铁硅酸盐、镁铁碳酸盐等,相比DJ煤、XHS煤灰中钠含量更高,钠矿物质具有较低的熔点;FY煤灰中矿物质主要以方解石、硬石膏、硫酸钠、赤铁矿、石英形式存在,其均属低熔点矿物质;HM煤中矿物质主要包括:硬石膏、方解石、赤铁矿、氧化钙,除氧化钙熔点较高外、其他矿物质熔点均较低。

2.2 不同煤灰的烧结温度

针对选取的6种原料煤(YS,YY,DJ,XHS,FY,HM),进行干燥脱水处理后,分别浸渍5%碳酸钾催化剂(总煤样质量)、8%氧化钙催化剂(总煤样质量),干燥后按标准NY/T 1881.5—2010对负载催化剂煤进行550 ℃灰化处理,即以5 ℃/min的升温速率升至250 ℃,停留60 min,继续按5 ℃/min的升温速率升至550 ℃,恒温至灰的质量变化在指定标准范围内。

在催化气化工况气氛下,对各灰样的烧结温度进行测定,结果如图3所示。

图3 各灰样烧结温度
Fig.3 Sintering temperature of samples

由图3可知,DJ煤和FY原煤在850 ℃以前均已结渣,烧结温度分别为750,785 ℃;添加8%CaO后,DJ煤与XHS煤结渣严重,FY煤添加Ca催化剂后烧结温度略有提高,但850 ℃下仍发生了烧结;添加5% K2CO3后,DJ,XHS,FY均在低于700 ℃的温度下发生了明显烧结。

综上可知:具有高钾钠、低铝特点的准东煤(XHS,DJ)易于结渣,对催化气化工艺而言其适用性较差;对于铁含量较高的YY煤,虽原煤及加钙后850 ℃下未发生结渣,但考虑到后续灰渣中铁处理等的问题,作为气化用煤也不适宜;HM原煤及负载催化剂煤测得的烧结温度均较高,可作为催化气化工艺用煤。

2.3 不同煤种气化反应过程中矿物质演变规律

为了深入研究各煤种的灰熔融特性及气化过程中的矿物质变迁规律,采用Factsage热力学软件Equilib模块计算了各试样催化气化工况气氛(3.5 MPa,H2O,CO,H2气氛)下,各灰样的初融温度、全融温度及煤灰中矿物质随温度变化的转变。

2.3.1 YS原煤及负载不同催化剂煤

YS煤灰中硅高,添加催化剂后其初融温度及全融温度均降低。由图4,5可知,负载5%碳酸钾催化剂YS煤初融温度为729 ℃,700 ℃下存在的主要矿物质为:钾的硅铝酸盐、钙的硅酸盐、铁的硅酸盐及钙铁的硅酸盐;730 ℃左右液相出现,铁的硅酸盐迅速消失、钙的硅酸盐及钾的硅铝酸盐急剧下降,说明铁的硅酸盐、钙的硅酸盐及钾的硅铝酸盐间相互作用发生了低温共融[30],大大降低了灰熔点及烧结温度。因此,对于硅含量高的煤,添加K催化剂进一步加剧了结渣风险。

图4 YS煤初融温度及全融温度
Fig.4 Initial formation temperature and liquidus temperature of YS

图5 YS+K煤中矿物质随温度变化曲线
Fig.5 Ash transformation of the YS+K sample as the function of temperature under catalytic gasification condition

2.3.2 YY原煤及负载不同催化剂煤

由图6可知,YY原煤具有较低的初融温度,添加氧化钙催化剂后初融温度增加,添加K催化剂初融温度降低。该煤灰中铁含量高,催化气化工况下,大都以Fe3O4,FeS形式存在,其属易融矿物质,极易与煤中钙、钾硅铝酸盐反应生成低温共熔物[31],降低灰熔点及烧结温度。由图7可知,随温度增加,Fe3O4,FeS含量急剧降低,液相含量快速增加。铁含量高的煤,于催化气化工况下易结渣,即便对于未添加催化剂的原煤,其在气化过程也具有较高的结渣风险。

由图8可知,对于YY煤,添加的K催化剂主要以碳酸钾及钾钙碳酸盐形式存在,Fe3O4,FeS,K2Ca(CO3)2均为易融矿物质[32],其的存在大大降低了煤的烧结温度。

图6 YY煤初融温度及全融温度
Fig.6 Initial formation temperature and liquidus temperature of YY

图7 YY煤中矿物质随温度变化曲线
Fig.7 Ash transformation of the YY sample as the function of temperature under catalytic gasification condition

图8 YY+K煤中矿物质随温度变化曲线
Fig.8 Ash transformation of the YY+K sample as the function of temperature under catalytic gasification condition

对于铁含量高的煤,添加K,Ca催化剂均存在较大的结渣风险,尤其当灰中硅含量高时,会导致烧结温度大大降低,进一步加剧结渣。

2.3.3 DJ原煤及负载不同催化剂煤

由图9可知,DJ原煤及负载Ca催化剂煤初融温度相对高,添加K催化剂DJ煤具有较低的初融温度。DJ原煤中硫、钙含量高,添加的K催化剂主要以硫酸钾、硫化钾形式存在(碳酸钾同煤灰中的三氧化硫、硫化氢反应所得),钙以氢氧化物、硅酸盐形式存在。由图10可知,随温度增加,硫酸钾、硫化钾、氢氧化钙、钙的硅酸盐含量急剧下降,液相含量迅速增加,说明钾盐同钙的硅酸盐等发生反应生成了低温共融物,大大降低了烧结温度。

图9 DJ煤初融温度及全融温度
Fig.9 Initial formation temperature and liquidus temperature of DJ

图10 DJ+K煤中矿物质随温度变化曲线
Fig.10 Ash transformation of the DJ+K sample as the function of temperature under catalytic gasification condition

对于灰分较低的煤种,其灰熔点及烧结温度受K催化剂添加影响更为敏感,尤其在催化气化工况气氛下,S,Ca,Fe,Si的存在使结渣加剧。

2.3.4 XHS原煤及负载不同催化剂煤

由图11可知,对于XHS煤,原煤具有较低的初融温度,添加钙催化剂初融温度略有增加,但添加K催化剂后初融温度降至714 ℃。由图12可知,对于XHS煤,添加的K催化剂在700 ℃时主要以碳酸钾、氢氧化钾、硫化钾、硫酸钾形式存在,钙以硅酸盐及氢氧化钙形式存在;随温度增加,硫化钾、硫酸钾、氢氧化钙、钙的硅酸盐含量急剧下降,液相含量急剧增加,说明其相互作用发生了低温共融。另外,水蒸气气氛下KOH的存在也会大大降低烧结温度[33]

图11 XHS煤初融温度及全融温度
Fig.11 Initial formation temperature and liquidus temperature of XHS

图12 XHS+K煤中矿物质随温度变化曲线
Fig.12 Ash transformation of the XHS+K sample as the funct- ion of temperature under catalytic gasification condition

2.3.5 FY原煤及负载不同催化剂煤

由图13可知,FY煤添加催化剂后初融温度均发生了降低。其原煤灰中Ca,Fe,S含量高,700 ℃时Ca主要以硅酸盐、硫化钙形式存在;Fe以FeO形式存在;K催化剂以碳酸钾、硫酸钾形式存在。该些矿物质均为易融矿物质[34],其的存在导致烧结温度大大降低。由图14可知,随温度增加,FeO迅速降低甚至消失,同时硫酸钾、钙的硅酸盐含量减少,说明其发生了反应形成了新的低温共熔物。

图13 FY煤初融温度及全融温度
Fig.13 Initial formation temperature and liquidus temperature of FY

图14 FY+K煤中矿物质随温度变化曲线
Fig.14 Ash transformation of the FY+K sample as the function of temperature under catalytic gasification condition

2.3.6 HM原煤及负载不同催化剂煤

由图15,16 Factsage计算结果可知,相比其他煤种,HM煤及负载催化剂煤均具有较高的熔融温度。对于负载K催化剂HM煤,高温下钾霞石、铁钙硅酸盐、硫化铁等的存在及相互作用导致了煤的结渣,同时难熔矿物质铝酸钾的存在相对提高了煤的灰熔点及烧结温度[35]。因此,相比其他新疆煤,HM煤用于催化气化工艺,结渣风险相对降低。

图15 HM煤初融温度及全融温度
Fig.15 Initial formation temperature and liquidus temperature of HM

图16 HM+K煤中矿物质随温度变化曲线
Fig.16 Ash transformation of the HM+K sample as the function of temperature under catalytic gasification condition

4 结 论

(1)所选地区煤种的煤灰中因难熔化合物氧化铝含量较低、碱性化合物含量高,总体灰熔点不高,对于采用固态排渣形式的煤气化工艺具有相对较高的结渣风险。

(2)负载碱性碳酸钾催化剂后,烧结温度发生了大幅降低,降幅达150 ℃甚至更高;钙催化剂添加对各煤种烧结温度影响各异,主要与各煤种灰成分不同有关。具有高钾钠、低铝特点的准东煤(XHS,DJ)更易结渣,用于催化气化工艺存在较大的结渣风险;HM煤具有相对高的熔融温度,用于催化气化工艺结渣风险相对减小。

(3)煤灰中硅含量高,添加K催化剂会进一步加剧结渣风险;对于铁含量高的煤,在还原性气氛下,添加K,Ca催化剂均存在较大的结渣风险;对于灰分低的煤种,K催化剂添加对煤灰熔点及烧结温度影响较大;催化气化工况气氛下,Si,Ca,Fe矿物质的存在使结渣加剧。

参考文献(References):

[1] 新疆——中国煤炭业的最后一块宝地[R].北京:中国国际金融有限公司,2010.

[2] 新疆煤炭产业专题分析报告[R].成都:国金证券股份有限公司,2010.

[3] 王忠萍.浅析新疆煤炭煤质特征及利用方向[J].煤质分析,2009,6(2):1007-7677.

WANG Zhongping.Preliminary discussion on coal quality and utilization direction for Xinjiang coal[J].Coal Quality Technology,2009,6(2):1007-7677.

[4] 周利红,于永玲.煤催化气化制天然气专利技术进展[J].当代石油石化,2015,23(4):21-26.

ZHOU Lihong,YU Yongling.The progress of patented technology in coal-based synthetic natural gas by catalytic gasification[J].Petroleum & Petrochemical Today,2015,23(4):21-26.

[5] 毛燕东,毕继诚,李金来,等.一种由煤催化气化制甲烷的方法[P].中国专利:201010532452.6,2010-11-02.

[6] 毛燕东,李克忠,孙志强,等.小型流化床燃煤自供热煤催化气化特性研究[J].高等化学工程学报,2013,27(5):798-804.

MAO Yandong,LI Kezhong,SUN Zhiqiang,et al.Characteristics of catalytic coal gasification in lab scale auto thermal fluidized bed[J].Journal of Chemical Engineering of Chinese Universities,2013,27(5):798-804.

[7] HIPPO E J,SHETH A C.Mild catalytic steam gasification process[P].US:2007/0000177 A1,2007-01-04.

[8] 毛燕东,金亚丹,王会芳,等.煤催化气化工艺中碱金属腐蚀刚玉质耐火材料的实验研究[J].燃料化学学报,2014,42(11):1332-1339.

MAO Yandong,JIN Yadan,WANG Huifang,et al.Experimental research on corrosions of corundum refractory by alkali metals in catalytic coal gasification process[J].Journal of Fuel Chemistry and Technology,2014,42(11):1332-1339.

[9] 周明灿.煤制天然气产业发展及技术分析[J].化工设计,2017,27(6):7-10.

ZHOU Mingcan.Development of coal-based natural gas industry and technical analysis[J].Chemical Engineering Design,2017,27(6):7-10.

[10] 井云环.煤催化气化技术进展[J].当代化工,2016,45(6):1273-1275.

JING Yunhuan.Research progress of catalytic coal gasification technology[J].Contemporary Chemical Industry,2016,45(6):1273-1275.

[11] 王鹏飞,王航,崔龙鹏,等.新一代煤气化技术展望[J].炼油技术与工程,2014,44(8):1-5.

WANG Pengfei,WANG Hang,CUI Longpeng,et al.Outlook of new generation coal gasification technologies[J].Petroleum Refinery Engineering,2014,44(8):1-5.

[12] MAO Yandong,JIN Yadan,LI Kezhong,et al.Sintering characteristic in catalytic gasification of China Inner Mongolia bituminous coal ash[J].Energy & Fuels,2016,30:3975-3985.

[13] SCHMITT V,KALTSCHMITT M.Effect of straw proportion and Ca and Al-containing additives on ash composition and sintering of woodstraw pellets[J].Fuel,2013,109(7):551-558.

[14] LIN W,JOHANSEN K D,FRANDSEN F.Agglomeration in bio-fuel fired fluidized bed combustors[J].Chemical Engineering Journal,2003,96(2):171-185.

[15] 毛燕东,金亚丹,李克忠,等.煤催化气化工艺中内蒙王家塔烟煤灰烧结温度的影响因素分析[J].化工学报,2015,66(3):1080-1087.

MAO Yandong,JIN Yadan,LI Kezhong,et al.Analysis of influencing factors on sintering temperature of Inner Mongolia Wangjiata bituminous coal ash during catalytic coal gasification[J].Journal of Chemical Industry and Engineering,2015,66(3):1080-1087.

[16] KHAN A,DE J W,JANSENS P,et al.Biomass combustion in fluidized bed boilers:Potential problems and remedies[J].Fuel Process Technology,2009,90(1):21-50.

[17] DEMIRBAS A.Potential applications of renewable energy sources,biomass combustion problems in boiler power systems and combustion related environmental issues[J].Progress in Energy and Combustion Science,2005,31(2):171-192.

[18] EASTERLY J L,BUMHAM M.Overview of biomass and waste fuel resources for power production[J].Biomass Bioenergy,1996,10(2):79-92.

[19] HEINZEL T,SIEGLE V,SPLIETHOFF H,et al.Investigation of slagging in pulverized fuel co-combustion of biomass and coal at a pilot-scale test facility[J].Fuel Process Technology,1998,54(1):109-125.

[20] 杨忠灿,刘家利,何红光.新疆准东煤特性研究及其锅炉选型[J].热力发电,2010,8(39):44-46.

YANG Zhongcan,LIU Jiali,HE Hongguang.Study on properties of Zhundong coal in Xjinjiang region and type-selection for boilers burning this coal sort[J].Thermal Power Generation,2010,8(39):44-46.

[21] 陈川,张守玉,施大钟,等.准东煤脱钠提质研究[J].煤炭转化,2013,36(4):14-18.

CHEN Chuan,ZHANG Shouyu,SHI Dazhong,et al.Study on sodium removal for Zhundong coal upgrading[J].Coal Conversion,2013,36(4):14-18.

[22] 孟建强.准东煤燃烧及结渣特性研究[D].哈尔滨:哈尔滨工业大学,2013.

MENG Jianqiang.Study on combustion and slagging characteristics of Jundong coal[D].Harbin:Harbin Institute of Technology,2013.

[23] 杨明,陈明华,谷红伟.逐级提取法研究新疆高钠煤中碱金属赋存形态[J].煤质技术,2014(6):8-11.

YANG Ming,CHEN Minghua,GU Hongwei.Study on the occurrence of alkali metals in high sodium Xinjiang coal by sequential chemical extraction[J].Coal Quality Technology,2014(6):8-11.

[24] 周永刚,范建勇,李培,等.高碱金属准东煤结渣特性试验[J].浙江大学学报(工学版),2014,48(11):2062-2093.

ZHOU Yonggang,FAN Jianyong,LI Pei,et al.Slagging characteristics of high alkalis Zhundong coal[J].Journal of Zhejiang University (Engineering Science),2014,48(11):2062-2093.

[25] 毛燕东,金亚丹,李克忠,等.煤催化气化条件下不同煤种煤灰烧结行为研究[J].燃料化学学报,2015,43(4):402-409.

MAO Yandong,JIN Yadan,LI Kezhong,et al.Sintering behavior of different coal ashes in catalytic coal gasification process[J].Journal of fuel chemistry and technology,2015,43(4):402-409.

[26] BALE C W,CHARTRAND P,PELTON A D.Factsage thermochemical software and database[J].Calphad,2002,26(2):189-228.

[27] 曹战民,宋晓艳,乔芝郁.热力学模拟计算软件Factsage及其应用[J].稀有金属,2008,32(2):216-219.

CAO Zhanmin,SONG Xiaoyan,QIAO Zhiyu.Thermodynamic modeling software Factsage and its application[J].Chinese Journal of Rare Metals,2008,32(2):216-219.

[28] 曹战民,朱骏,乔芝郁.气相氢还原合成Nb3Sn粉末过程的热力学模拟[J].稀有金属,2008,32(4):478-481.

CAO Zhanmin,ZHU Jun,QIAO Zhiyu.Thermodynamic simulation of Nb3Sn synthesis process by hydrogen reduction method[J].Chinese Journal of Rare Metals,2008,32(4):478-481.

[29] FABRICHNAYA O,SAXENA S K,RICHET P.Thermodynamic data,models,and phase diagrams in multi component oxide systems[M].Verlag Berlin Heidelberg:Spring,2004.

[30] GUPTA S K,GUPTA R P,BRYANTG W,et al.The effect of potassium on the fusibility of coal ashes with high silica and alumina levels[J].Fuel,1998,77(11):1195-1201.

[31] RUSSELL N V,WIGLEY F,WILLIAMSON J.The roles of lime and iron oxide on the formation of ash and deposits in PF combustion[J].Fuel,2002,81(5):673-681.

[32] 毛燕东.煤催化气化过程中矿物质变迁规律及结渣机理研究[D].天津:天津大学,2017.

MAO Yandong.Minerals transformation and slagging mechanism of coal ash in catalytic coal gasification process[D].Tianjin:Tianjin university,2017.

[33] KELEMEN S R,FREUND H,MIMS C A.The interaction of KOH with clean and oxidized carbon surfaces[J].Journal of Catalysis,1986,97,228-239.

[34] VAN J C,BENSON S A,LAUMB M L,et al.Coal and coal ash characteristics to understand mineral transformations and slag formation[J].Fuel,2009,88(11):1057-1063.

[35] HUFFMAN G P,HUGGINS F E,DUNMYRE G R.Investigation of the high-temperature behaviour of coal ash in reducing and oxidizing atmospheres[J].Fuel,1981,60(7):585-597.

Coal characteristics and slagging property of Xinjiang coal for gasification

MAO Yandong,HUAI Juntian,LU Tao,LIU Lei,LI Kezhong

(State Key Lab of Coal-based Low Carbon Energy,Enn Technology & Development Co.Ltd.,Langfang 065001,China)

Abstract:Xinjiang has abundant coal reserves.Xinjiang coal has high reactivity and is suitable for coal power and coal chemical production.As the third generation of advanced gasification technology,catalytic coal gasification technology is one of the most effective processes for coal to natural gas.Coal characteristics and slagging property of six kinds of Xinjiang coals from lli and Zhundong coal chemical industry base were systematically investigated,and the applicability of coal for catalytic coal gasification process was inspected,which can provide guidance for the coal selection and utilization of coal to gas project in Xinjiang.A homemade pressurized pressure-drop measuring device was used to determine the ash sintering temperature of different coal ash.An X-ray diffractometer (XRD) in combination with FactSage were used to predict the reactions occurring between minerals as well as the mineral transformation and slag formation,and reveal the mechanism of slag.The results show that the coal in the selected area has relatively high slagging risk for the coal gasification process because of the low refractory compound alumina,high alkaline compound and low ash melting point.The ash melting point of the selected Xinjiang coal is low.XHS and DJ coal with high potassium,sodium and low aluminum characteristics are easier to slag,and have a higher slagging risk for catalytic coal gasification process.The HM coal with relatively high melting temperature is not easy to slag when used for catalytic coal gasification.The sintering temperature of coal loading with potassium carbonate catalyst decreases significantly.The influence of calcium catalyst addition on sintering temperature is greatly influenced by the ash composition of coal.Adding K catalyst will further aggravate slagging when coal ash has higher silicon content.There is a greater slagging risk for coal with higher iron content,and the addition of K and Ca catalysts will aggravate the slagging problem in the reducing atmosphere.For the coal with low ash content,the addition of potassium carbonate catalyst has great influence on the ash melting point and sintering temperature;under the catalytic gasification condition,the presence of silicon,iron and calcium minerals in the ash aggravates the slagging.

Key words:Xinjiang coal;catalytic coal gasification;sintering temperature;Factsage;slagging property

移动阅读

毛燕东,怀俊天,芦涛,等.新疆气化用煤煤质特点及结渣性研究[J].煤炭学报,2020,45(4):1527-1535.doi:10.13225/j.cnki.jccs.2019.0493

MAO Yandong,HUAI Juntian,LU Tao,et al.Coal characteristics and slagging property of Xinjiang coal for gasification[J].Journal of China Coal Society,2020,45(4):1527-1535.doi:10.13225/j.cnki.jccs.2019.0493

中图分类号:TQ541

文献标志码:A

文章编号:0253-9993(2020)04-1527-09

收稿日期:2019-04-19

修回日期:2019-10-10

责任编辑:常明然

基金项目:国家科技支撑计划资助项目(2009BAA25B00);国家重点基础研究发展计划(973)资助项目(2011CB201305)

作者简介:毛燕东(1984—),女,河北廊坊人,高级工程师,博士。Tel:0316-2597074,E-mail:myd0514@126.com

通讯作者:李克忠(1976—),男,山东德州人,高级工程师,博士。Tel:0316-2595824,E-mail:nyyjy@enn.cn