正断层发育特征对煤层气直井开发的影响
——以沁水盆地南部柿庄南区块为例

韩文龙1,王延斌1,倪小明2,李 勇1,陶传奇3,刘振明1,吴 翔4

(1.中国矿业大学(北京) 地球科学与测绘工程学院,北京 100083; 2.河南理工大学 能源科学与工程学院,河南 焦作 454000; 3.辽宁石油化工大学 矿业工程学院,辽宁 抚顺 113001; 4.中联煤层气有限责任公司,北京 100011)

摘 要:为了深入挖掘断层发育特征对煤层气开发的影响机理,揭示其控产方式,以沁水盆地南部柿庄地区3号煤层为研究对象,分析了不同规模及组合形式的正断层对煤储层物性、工程效果和排采工作的影响;选取正断层控制下的含气量、煤体结构、渗透率、井径扩大率、破裂压力以及日产水量6个因素,采用灰色关联法分析了不同因素对产气量影响的主次关系,进而揭示了正断层对产气的主要控制方式。结果表明:正断层对产气的影响存在一定距离范围,该范围受控于断层的规模和上下盘位置,寺头断层上盘控制范围约为300 m,下盘约为250 m,F11断层上盘控制范围约为250 m,下盘约为200 m,由于正断层上盘为断层形成过程中的主动盘,沿断层面的剪应力大于下盘,造成上盘的影响范围大于下盘。随着距断层距离的减小,正断层所产生影响不断增大,影响特征为含气量和破裂压力逐渐减小,孔裂隙发育程度和井径扩大率逐渐增大,煤体结构更加破碎,压裂曲线形态更加复杂断层控制范围内煤层气井产水量普遍高于平均值。分析认为,正断层是在构造应力的作用下形成的,在断层面附近存在应力集中带,位于该区域的煤层受应力集中作用的影响,发生明显的变形破裂,力学强度大幅度降低,随着距断层距离的增大,应力作用强度也逐渐降低,其变形破裂也逐渐减弱;同时,正断层周围一般发育张性裂缝,随着距离的增加进而转变为压扭、张扭性裂隙,其张开度较低,到达一定的距离后,裂缝转为张性。故造成距离正断层越近,地质条件更加复杂,工程实施难度越大,产气效果一般。并且正断层主要通过控制渗透率、含气量以及沟通含水层来影响煤层气井日产气量,若要实现断层附近煤层气的高效开采,应优先关注这些参数是否异常。

关键词:沁水盆地;柿庄南区块;断层发育特征;煤层气直井;煤层气开发

查明断层对煤储层含气性、物性和工程实施的影响特征对实现煤层气的高效开发具有重要的现实意义[1-2]。断层活动过程中会造成煤层中气体的逸散、应力释放、孔裂隙发育,煤体破坏和煤粉产生,进而影响钻井压裂工程的实施,导致煤层气井排采效果较差[3-4]。断层性质、发育规模及上下盘等对煤层气开发的影响特征存在差异,小规模的逆断层具有良好的封闭条件,有利于气体的保存和富集[5];规模较大断层的影响特征趋于复杂,正断层的上盘较下盘扰动范围大,更容易造成气体的逸散[6]。前人对断层的研究多集中在断层演化特征及成藏模式、断层封闭性的定性评价及定量计算和断层发育特征对产能的影响等方面[5-10];在有利区优选时多将较大的断层作为边界来考虑,同时对断层附近煤层气储层参数特征进行了相应评价[2,11-12]。这些研究方法及成果在指导断层发育区煤层气开发起到了一定的作用,但在断层对煤层气开发的影响方面缺乏系统的认识,断层的影响范围及控产方式尚不明确。

为了查明断层对煤层气井产气的影响特征,笔者以沁水盆地南部柿庄南区块3号煤层为研究对象,采用定性与定量分析相结合的方法,对不同规模正断层附近1 000 m范围以内168口煤层气直井的煤储层含气性、物性、工程实施效果和排采工作特征进行系统分析,揭示了正断层对产气影响的本质,采用灰色关联法分析各因素的主次关系,得到正断层的控产方式,以期为断层发育区的煤层气勘探开发提供借鉴。

1 地质概况

柿庄南区块位于沁水盆地南部,区块面积约为763.2 km2,截止目前完钻井数1 400余口,已完成10亿m3的产能建设。全区稳定发育的3号煤层为煤层气主力开发煤层,厚度最小4.16 m,最大8.80 m,平均6.30 m,埋深515~1 682 m。自3号煤层形成后,共经历了4期构造运动,分别为印支期近NS向挤压应力、燕山期NWW—SEE向挤压应力、喜山早期NWW—SEE向拉张应力以及喜山晚期NE—SW向挤压应力。最终形成了北部以断层为主和南部褶皱为主的构造特征(图1),断层主要集中在北部地区(主要断层特征见表1),呈NS或NNE向展布,其中寺头断层为区域性大断层,位于研究区中部[13],该断层于燕山期开始发育,成熟于喜马拉雅早期[14]。其余较大的断层为F7,F8,F9,F10,F11和F12,全部为正断层,根据古应力场及断层发育特征,表明上述断层发育形成于喜马拉雅早期。南部地层整体向西倾斜,以次一级褶皱构造为主,断层不甚发育。

图1 柿庄南区块构造特征
Fig.1 Structural characteristics of the Shizhuang south Block

表1 柿庄南区块断层要素
Table 1 Fault elements in the south block of Shizhuang

序号断层名称性质走向倾向延展长度/km最大断距/m1寺头正NENW23.22402F7正NSW8.41203F8正NSW12.11404F9正NSE8.41405F10正NENW8.02206F11正NENW8.21807F12正NSE7.9200

2 正断层对储层特征的影响

2.1 含气性

在距离正断层较近的位置,含气量普遍较低,如距离寺头断层上盘55 m的SZ-273井和下盘40 m的SZ-133井,含气量仅为10.6和7.6 m3/t,并以该断层为界,煤层含气量由分界处向两端逐渐增加,如距离寺头断层上盘841 m的SZ-828井和下盘630 m的SZ-81井,含气量为16.01和19.21 m3/t。由图2可知,在正断层两侧一定范围内,随着距离的增加,含气量不断增大;超过一定的范围,断层活动对含气量的影响程度较弱,含气量变化较小。说明断层的扰动程度随着距离的增加不断减弱,并且存在明显的界线。

图2 距断层距离与含气量关系
Fig.2 Relation between distance from fault and the gas content

以含气量15 m3/t为界划定影响范围,由图2可知,寺头断层的影响范围要大于F11断层,其中寺头断层延展长度为23.2 km,最大断距为240 m,F11断层延展长度为8.2 km,最大断距为180 m,表明断层影响范围和断层规模呈正相关关系。从影响程度上来看,规模越大,断层对煤层气的破坏程度越高。将断层上下盘分开来看,断层上盘对含气量的影响距离要大于下盘,这是由于正断层上盘为断层形成过程中的主动盘,沿断层面的剪应力大于下盘,使得断层上盘煤层的破碎程度较高,对煤层气含气量的赋存的影响也相之较远。

研究区以正断层为主,并以地堑和地垒的组合形式存在。以图1中AA′剖面为例,对典型组合样式周围煤层气井含气量变化规律分析(图3,剖面位置如图1所示)发现,断层附近的含气量明显低于柿庄区块含气量平均值,并且地堑部位井的含气量高于地垒部位井的含气量值,如SZ-61井的含气量为13.8 m3/t,而位于地垒部位的SZ-102井和SZ-60井的含气量稍微降低,分别为12.03和11.85 m3/t,稍远位置距离的SZ-98井和SZ-67井,含气量值又有一定程度的上升,说明在断层的影响范围内,地堑下降盘的含气量相对较高,这与拉张过程中的受力特征以及下降盘的埋深较大对气体起到了一定程度的保护作用有关。

图3 AA′剖面含气量剖面示意
Fig.3 Schematic diagram of the gas content profile of the AA′ section

2.2 煤体结构

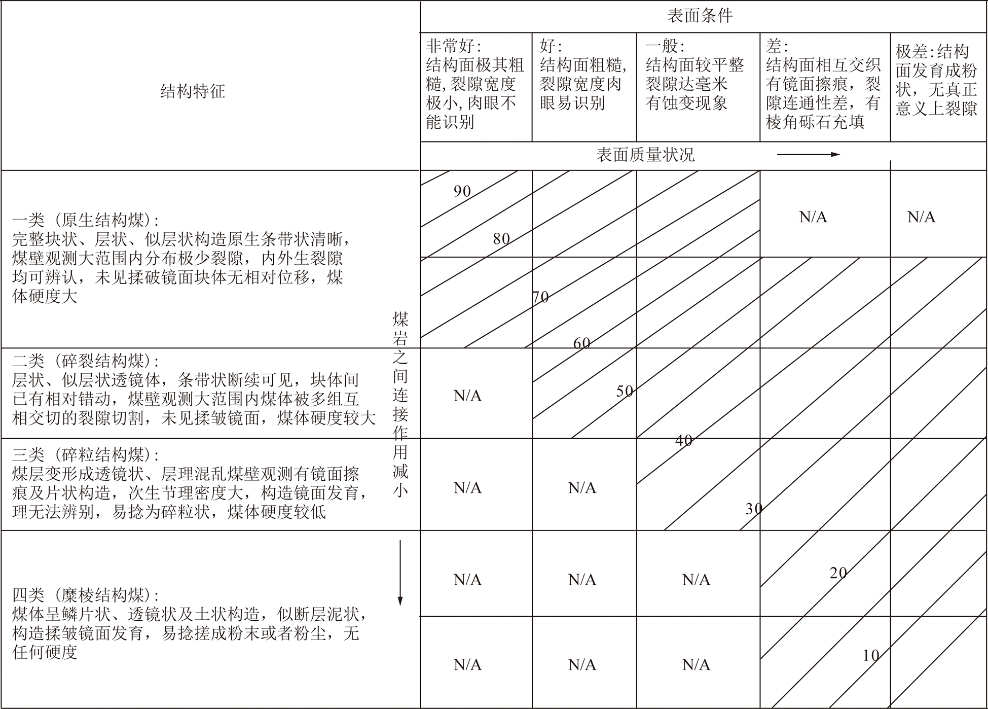
为了定量分析断层对煤体结构的影响特征,将GSI定量表征引入本次研究。GSI岩体分类体系是由E.HOEK等提出的一种岩体分类方法[15]。基于岩石的构造特征和表面风化条件将其划分为0~100不等的值(图4)。首先观察煤体的结构特征,将其划分为原生结构煤(70~100)、碎裂结构煤(45~70)、碎粒结构煤(30~45)、糜棱结构(0~30)4类;再观察煤岩的表面条件,但是由于煤层埋藏一般较深,传统的用风化状况来表征岩体表面质量状况效果较差,因此采用裂隙宽度及充填情况进行煤体结构面的描述[16]。煤体表面质量越好、煤岩块之间连接作用越强,表示煤体结构越完整,按其完整性分为非常好(90~100)、较好(80~90)、一般(65~80)、差(35~65)、很差(0~35)5种;最后根据其所处中斜线上的数值即GSI 取值,“N/A”表示在这个范围内不适用。对取心井的煤体结构定量表征完成后,再利用测井信息拟合GSI的计算公式并对非取心井进行计算。

图4 GSI 岩体分类系统
Fig.4 GSI rock mass classification system

M=0.132GR-2.35CX-1.81CY-

2.48ln RD+224.15

(1)

式中,M为煤体结构GSI值;GR为自然伽马,API;CX,CYX,Y方向的井径,cm;RD为深侧向电阻率,Ω·m。

选取较有代表性的寺头断层和F12断层,分析断层规模以及上、下盘对煤体结构造成的影响。沿断层面倾向分别在上下盘布置3条测线(测线位置如图1所示),根据柿庄区块钻井取心煤样,建立断层距离对煤体结构影响的量化关系(图5)。在距F12断层上盘250 m内,GSI值随着断层距离的增大急剧上升,随后速度放缓直至趋于一个相对稳定的数值;正断层上盘作为主动盘,控制范围大于下盘,在距F12下盘200 m的距离内,GSI值上升速度较快;在寺头断层附近,GSI值的快速上升段为距上盘300 m的距离和下盘250 m的距离。总的来看,断层对煤体结构的控制的强弱受断层规模以及部位的影响。

图5 GSI值与距断层距离关系
Fig.5 Relation of GSI and distance from the fault

2.3 裂隙发育特征

在7条正断层附近大量钻井数据与测井数据的基础上,对煤样孔裂隙发育特征进行测试和表征,由于孔隙度在全区离散性较差,因此选取钻井取心煤样统计计算得出的裂隙率来表征煤储层裂隙发育程度。裂隙率是顺着钻进的方向在岩芯面测量每米岩芯裂隙的总宽度[17],用全煤层段的平均值作为裂隙率的最终值。煤裂隙发育程度与距断层距离呈负相关(图6),并且在一定范围内,随着距离的减小,裂隙率值大小发生大幅度提升,对于上盘来说,快速上升段分布在2倍断距的位置,而下盘控制在1.5倍的位置附近。总得来说,上盘裂隙发育程度要优于下盘。

图6 正断层附近煤层裂隙发育程度
Fig.6 Development degree of coal seam crack near normal fault

正断层在构造应力的作用下形成,并在断层面附近存在应力集中带,位于该区域的煤层受应力集中作用的影响,发生明显的变形破裂,力学强度大幅度降低,随着距断层距离的增大,应力作用强度也逐渐降低,其变形破裂也逐渐减弱,故煤岩的力学强度和裂隙发育状况在平面上与距断层距离呈负相关,并且上盘的裂隙发育率大于下盘。这与在正断层断裂面形成后,作为主动盘的上盘因重力作用而向下滑动而产生的次生应力,断块与断面或内部小断块之间的相互作用而产生的局部应力有关。

此外,上述作用不仅会使上盘裂隙发育程度大于下盘,还会使裂隙性质发生转化。在其作用下,断层带和其附近因脱空而产生的薄弱带内的破裂面及与断层平行的裂隙转化为张扭、压扭性裂隙,从而导致在断层一定距离处的裂隙性质呈现出由张性到压扭、张扭性裂隙再到张性的变化特征[17]。这些变化特征控制着断层附近煤储层的孔渗分布。

2.4 渗透率发育特征

基于试井渗透率和测井信息所建立的渗透率公式计算出断层附近渗透率分布特征。由图7可知,断层附近煤储层渗透率普遍偏低,一般<0.1×10-15 m2,超过一定距离后渗透会明显的改善,随着距离的增加,渗透率逐渐恢复研究区平均水平(0.08×10-15~0.2×10-15m2)。分析认为,煤储层原始渗透性主要取决于天然裂隙的发育程度和裂隙的张开度,由文献[18]可知,正断层周围一般为张性裂缝,但其煤体结构较为破碎,因此渗透性较差;随着距离的延长进而转变为压扭、张扭性裂隙,其张开度较低,渗透率同样较低;到达一定的距离后,裂缝转为张性时,加之煤体结构以碎裂煤为主,渗透性显著提高;随着距离的延长,断层的影响逐渐消失。同时,渗透率变化特征与断层的规模和所处上下盘同样有关,断层规模越大,渗透率低值范围越大,且上盘大于下盘。

图7 距断层距离与渗透率关系
Fig.7 Relation between distance from fault and permeability

3 正断层对钻压工程的影响

3.1 井径扩径

断层活动影响带内,煤体结构较为破碎,加之应力扰动,所以在钻井过程中极易发生井径扩径的现象[19]。柿庄区块断层附近井径扩大率与煤体结构的关系如图8所示,随着煤体结构破碎程度的加剧,井径扩大率也不断地增大,但是井径扩大率并非煤体结构的单一变量函数,同时受钻井施工过程中的钻压、钻速和泥浆密度等影响,所以只能对其变化趋势进行推断,无法具体到某一固定的变化范围,相应地,可以建立断层距离和井径扩大率关系,分析断层规模、部位的不同对其的影响。

图8 典型煤体结构与井径扩大率关系
Fig.8 Relation between typical coal structure and hole enlargement ratio

基于测井资料计算的平均井径扩大率,分析断层对井径扩径的影响的特征。如图9所示,寺头断层对井径扩大率的影响以及控制范围均大于F11断层,且作为主动盘的上盘控制范围大于下盘。根据行业规范,煤层段井径扩大率>40%的井为不合格井,对于寺头断层,在上盘影响范围内的煤层气井不合格率约为42.11%,下盘约为33.33%;对于F11断层,上盘影响范围内的不合格率约为38.89%,下盘约为16.67%。

图9 距断层距离与井径扩大率关系
Fig.9 Relation between distance from fault and hole enlargement ratio

3.2 压裂工程

断层周围一定距离内,裂隙发育程度呈规律性变化,裂隙的发育会影响破裂压力,且断层活动过程中产生的应力扰动,会形成应力释放或应力集中带,因此断层对于破裂压力同样起到控制的作用。如图10所示,寺头断层对破裂压力的影响以及控制范围均大于F11断层,且作为主动盘的上盘控制范围大于下盘。在控制范围内的破裂压力,随着距断层距离的减小,破裂压力也呈现减小的趋势,但并非简单的线性关系,此现象由煤体结构、裂隙发育程度及地应力分布差异产生的。

图10 距断层距离与破裂压力关系
Fig.10 Relation between distance from fault and fracture pressure

根据压裂施工过程中油压变化,压裂曲线可划分为稳定型、下降型、上升型和波动型 4 种类型(图11),曲线形态一方面受控于储层地质特征,另一方面能够反映出压裂效果[20-21]。理论上,稳定型和下降型曲线的压裂改造效果较好,容易形成形态较为单一的压裂裂缝,主缝延伸较长,能够实现较好的排采效果;而上升型和波动型曲线的压裂改造效果相对较差,多形成形态复杂的压裂裂缝,主缝较短,且支缝较多,排采效果相对较差。断层附近的压裂曲线类型以波动型和下降型为主,随着距离的增加,曲线形态趋于以稳定型和下降型曲线为主。断层影响范围内,寺头断层上下盘部位煤层气井压裂曲线中波动型占比分别为43%和52%(表2),F11断层上下盘中的均为56%,这与断层对周围裂隙发育程度的影响和断层附近煤体结构较为破碎有关;部分压裂曲线呈现出上升型的变化特征,占20%左右,稳定型曲线占比最少,均在15%以下。说明在断层影响范围内对压裂施工效果的影响较大。

图11 3号煤层典型压裂曲线类型
Fig.11 Classification of fracturing curves types of coal seam 3

表2 断层附近压裂曲线类型所占比例统计
Table 2 Proportion of different fracturing curves near faults %

断层名称位置稳定型上升型下降型波动型寺头上盘7212943寺头下盘13171852F12上盘1462456F12下盘5192056

4 正断层对排采的影响

以断层附近排采时间4 a以上且较为连续的井作为研究对象[22],其依据:① 4 a以上生产井的排采制度基本定型;② 保证所有井都已达到产气高峰,并维持一定时间;③ 排采较为连续可消除停机事故对产气特征的影响。

断层对排采的影响同样随着距离的增加而逐渐减弱,断层附近的产水量明显高于研究区的平均水平,且表现出距离断层越近产水量越大的特点(图12)。大量外来水通过断层扰动形成的裂缝或压裂裂缝不断补给煤层,导致排采过程中产水量偏高,且部分井日产水量持续(4 a)维持在10 m3以上。同时,断层对煤层气井产水的影响特征与规模和上下盘位置有关,与其他参数类似,寺头断层影响范围大于F11断层,断层上盘大于下盘;与含气量、煤体结构和井径扩大率等参数相比,两断层上下盘对产水的影响范围扩大80~150 m,导致该现象的原因与压裂裂缝扩展有关。

图12 距断层距离与日产水量关系
Fig.12 Relation between distance from fault and daily water production

如图13所示,在距离断层较近的煤层,产气量较低,一方面由于裂隙发育程度较高,煤层气逸散逃离导致含气量降低,另一方面则是由沟通含水层导致降压漏斗扩展受限所引起的解吸困难;随着距离的增加,断层的影响表现为提高储层的渗透性,产气量逐渐上升;在断层影响范围之外的煤层,储层的物性特征、煤体结构以及含气性等特征恢复至区域正常水平,产气量变化特征不显著。同时,断层附近存在若干口排采3 a以上只产水不产气的井(不见气井),分析认为,首先,断层活动造成含气量较低,进而表现出较低的临界解吸压力,排采过程需要降低较大的储层压力气体才能解吸;其次,断层附近,煤体结构较为破碎、应力扰动较大,影响压裂施工效果,导致煤层气井产气产液通道较差;并且断层导致裂隙顶底板沟通含水层,排采过程中产水量大,降压漏斗扩展困难。较低的临界解吸压力、较破碎的煤体结构和外来水的补给导致储层压力难以降低到解吸压力以下,进而煤层气井表现出只产水不产气。

图13 距断层距离与日产气量关系
Fig.13 Relation diagram between distance from fault and daily gas production

5 正断层影响下产气量主控因素

影响煤层气井产气的因素大致可划分为地质因素、工程因素以及排采因素3个方面[23-24],其中地质因素又包括煤层厚度、煤体结构、储层物性特征、地质构造条件以及煤层含气性等因素;工程因素方面,则主要有井距、井网类型、井型、煤层破裂压力、压裂液量以及砂比等;排采因素主要包括井底流压、日产水量、排采制度等。本文主要探究断层构造控制下影响产能的因素,因此选取与断层密切相关的因素,在各参数与产气之间的相互关系分析的基础上,采用灰色关联法来确定各因素的主次等级。基于前文分析,选取含气量、渗透率、煤体结构、井径扩大率、破裂压力和日产水量6个参数进行分析,其中煤体结构通过GSI值来进行表征。计算步骤如下:

(1)确定比较序列和参数序列。此次参考序列为柿庄地区寺头断层和F11断层影响范围内的50口煤层气井稳定阶段的平均日产气量;比较序列为这50口井所对应的上述6个参数。

(2)参数无量纲化和归一化处理。由于各评价指标物理意义,数值范围以及单位不同,在计算前,需事先对数据进行预处理来消除参数之间的量纲影响,使之产生可用于分析的无量纲的归一化数据。

(3)确定关联系数。设参考序列为{Xi(n)},比较序列为{Y(n)},其中i的变化范围为1~8,n的变化范围为1~50。当n=k时,参考数列表示为{Xi(k)},比较序列表示为{Y(k)},且二者的关联系数εi(k)通过以下公式进行计算:

(2)

式中,Δi(max)与Δi(min)分别为参考序列和比较序列差的绝对值的最大值和最小值;Δi(k)为当n=k时的二者差的绝对值,即Δi(k)=|Y(k)-Xi[k]|;m为分辨系数,通常为0.5。

(4)计算关联度。即计算比较序列与参考序列在不同点的关联系数的平均值,并通过以下公式进行计算:

(3)

根据式(3)计算出各个参数与日产气量的关联程度,并按大小关系对其进行排序。由表2可知,断层控制下的产能影响因素主次关系为:渗透率>含气量>日产水量>煤体结构>破裂压力>井径扩大率。

由灰色关联分析评价的结果,可以得出渗透率是在正断层控制下影响煤层产气的主控因素。分析认为,渗透性决定了储层中气液运移的难易程度,进而影响产气量大小;柿庄区块3号煤变质程度较高,基质孔隙渗透性较差,储层裂隙发育程度决定了煤储层渗透率的大小,断层活动在一定程度上控制了其附近裂隙的发育特征。含气量作为表征资源丰度的基础数据,是煤层气井高产的基础,断层活动过程引起气体逸散程度不同,进而影响含气量大小,造成断层附近的产气差异较大。日产水量则主要表征的是正断层沟通含水层与否,一般情况,正断层附近日产水量处于较高的水平,在一定程度抑制煤层气的产出;煤体的破坏程度影响着煤粉的产出和压裂施工效果,进而造成产气存在一定的差异。破裂压力和井径扩大率对产气量的影响较小,这是由于破裂压力并不能完全表征压裂效果的好坏,而井径扩大率的大小主要控制井壁的稳定性,造成频繁的修井,进而影响排采的连续性。

表3 灰色关联分析评价
Table 3 Analysis and evaluation based on grey correlation

影响因素关联度关联度排序渗透率0.82361含气量0.80542日产水量0.79863煤体结构GSI值0.77184破裂压力0.74535井径扩大率0.73486

综上所述,正断层对于柿庄区块产气量的影响主要通过控制渗透率、含气量以及日产水量来实现。在进行断层影响范围内的煤层气开发时,可优先考虑渗透率、含气量以及是否沟通含水层等因素,来实现高效开发。

6 结 论

(1)正断层对储层特征的影响存在一定的距离范围,该范围的大小与断层上下盘、规模和组合形式有关,正断层上盘的影响范围大于下盘,区域性大断层上盘300 m、下盘250 m范围内对储层特征控制明显,区内较大断层上盘250 m、下盘200 m范围内对储层特征控制明显,地堑地区的含气量明显高于地垒部分。

(2)正断层附近,井径扩大率较大,破裂压力较低,且压裂曲线形态多变,随着距离的增大,这些现象逐渐减弱;产水量普遍高于研究区平均水平,产气量随着距离的增加呈现出逐渐增高的趋势。

(3)正断层主要通过影响含气量、渗透率以及地下水的补给来影响煤层气井产气量,若要实现断层附近煤层气的高效开采,应优先关注这些参数是否异常。

参考文献(References):

[1] 秦勇,姜波,王继尧,等.沁水盆地煤层气构造动力条件耦合控藏效应[J].地质学报,2008,82(10):1355-1362.

QIN Yong,JIANG Bo,WANG Jiyao,et al.Coupling control of tectonic dynamical conditions of coalbed methane reservoir formation in the Qinshui basin,Shanxi,China[J].Acta Geologica Sinica,2008,82(10):1355-1362.

[2] 倪小明,李志恒,王延斌,等.沁水盆地中部断层发育区煤层气开发有利块段优选[J].天然气地球科学,2017,28(4):602-610.

NI Xiaoming,LI Zhiheng,WANG Yanbin,et al.Favorable setions optimization about coalbed methane on developing fault blocks in central of Qinshui Basin[J].Natural Gas Geoscience,2017,28(4):602-610.

[3] 李勇,汤达祯,许浩,等.鄂尔多斯盆地东缘煤层气构造控气特征[J].煤炭科学技术,2014,42(6):113-117,129.

LI Yong,TANG Dazhen,XU Hao,et al.Characteristics of structural controlled coalbed methane in east margin of Ordos basin[J].Coal Science and Technology,2014,42(6):113-117,129.

[4] ZHAO Xianzheng,LIU Shiqi,SANG Shuxun,et al.Characteristics and generation mechanisms of coal fines in coalbed methane wells in the southern Qinshui Basin,China[J].Journal of Natural Gas Science and Engineering,2016,34,849-863.

[5] 邢力仁,柳迎红,王存武,等.柿庄南区块断层发育特征及对煤层气井产能的影响[J].煤炭科学技术,2017,45(9):25-31.

XING Liren,LIU Yinghong,WANG Cunwu,et al.Influences of development characteristics of faults on coalbed methane well productivity in southern Shizhuang Block[J].Coal Science and Technology,2017,45(9):25-31.

[6] HARDING T P,TUMINAS A C.Interpretation of footwall(lowside) fault traps sealed by reverse faulted and convergent wrench faults[J].AAPG,1988,72:738-757.

[7] 吕延防,王伟,胡欣蕾,等.断层侧向封闭性定量评价方法[J].石油勘探与开发,2016,43(2):310-316.

LÜ Yanfang,WANG Wei,HU Xinlei,et al.Quantitative evaluation method of fault lateral sealing property[J].Petroleum Exploration and Development,2016,43(2):310-316.

[8] 桑树勋,范炳恒,秦勇,等.煤层气的封存与富集条件[J].石油与天然气地质,1999,20(2):104-107.

SANG Shuxun,FAN Bingheng,QIN Yong,et al.Conditions of sealing and accumulation in coal-bed gas[J].Oil & Gas Geology,1999,20(2):104-107.

[9] 钟宏平,傅康英,黄仙英.含油气盆地断层封闭研究进展综述[J].地质科技情报,1991,10(2):51-55.

ZHONG Hongping,FU Kangying,HUANG Xianying.Development of research on sealing of faults in oil and gas-bearing basins[J].Geological Science and Technology Information,1991,10(2):51-55.

[10] 李梦溪,刘庆昌,张建国,等.构造模式与煤层气井产能的关系:以晋城煤区为例[J].天然气工业,2010,30(11):10-13,114.

LI Mengxi,LIU Qingchang,ZHANG Jianguo,et al.Relationship between structural style and CBM well productivity:A case study of the Jincheng coalfield[J].Natural Gas Industry,2010,30(11):10-13,114.

[11] 林晓英,苏现波,郭红玉.沁水盆地东南部寺头断层对煤层气藏的封闭性评价[J].天然气工业,2010,30(4):20-23.

LIN Xiaoying,SU Xianbo,GUO Hongyu.An evaluation study on the sealing mechanisms of Sitou fault to coalbed methane reservoirs in the southeast Qinshui Basin[J].Nature Gas Industry,2010,30(4):20-23.

[12] 李志恒,倪小明,李忠诚.沁中南正断层附近煤储层压力分布特征研究[J].矿业安全与环保,2017,44(5):21-24.

LI Zhiheng,NI Xiaoming,LI Zhongcheng.Study on distribution characteristics of coal reservoir pressure near normal fault in central shizhuang south block of Qinshui Basin[J].Ming Safety & Environmental Protection,2017,44(5):21-24.

[13] 倪小明,杨艳辉,王延斌,等.沁中南断层不发育区多期构造运动作用下煤层气直井产水产气特征[J].煤炭学报,2016,41(4):921-930.

NI Xiaoming,YANG Yanhui,WANG Yanbin,et al.Study on gas production and water production characteristics of CBM vertical wells under multi period tectonic movement of un-development fault in central south Qinshui Basin[J].Journal of China Coal Society,2016,41(4):921-930.

[14] 林玉祥,吴玉琛,栾伟娜,等.沁南地区寺头断裂在天然气运聚中的作用[J].山东科技大学学报(自然科学版),2015,34(6):1-8.

LIN Yuxiang,WU Yuchen,LUAN Weina,et al.Control effect of Sitou fault on natural gas migration and accumulation in Qinnan field[J].Journal of Shandong University of Science and Technology(Natural Science),2015,34(6):1-8.

[15] HOEK E,BROWN E T.Practical estimates of rock mass strength[J].International Journal of Rock Mechanics and Mining Sciences,1997,34(8):1165-1186.

[16] 陈跃,汤达祯,许浩,等.应用测井资料识别煤体结构及分层[J].煤田地质与勘探,2014,42(1):19-23.

CHEN Yue,TANG Dazhen,XU Hao,et al.Application of logging data in recognition of coal structure and stratification[J].Coal Geology & Exploration,2014,42(1):19-23.

[17] 孟召平,彭苏萍,黎洪.正断层附近煤的物理力学性质变化及其对矿压分布的影响[J].煤炭学报,2001,26(6):561-566.

MENG Zhaoping,PENG Suping,LI Hong.Effects of physical and mechanical properties of coal near normal faults and their effects on strata pressure distribution[J].Journal of China Coal Society,2001,26(6):561-566.

[18] 孟召平,侯泉林.高煤级煤储层渗透性与应力耦合模型及控制机理[J].地球物理学报,2013,56(2):667-675.

MENG Zhaoping,HOU Quanlin.Coupling model of stress dependent permeability in high-rank Coalreservoir and Itscontrol mechanism[J].Chinese Journal Geophys,2013,56(2):667-675.

[19] 贾宗文,刘书杰,耿亚楠,等.柿庄区块钻完井工程对煤层气井产能的影响研究[J].煤炭科学技术,2017,45(12):182-188.

JIA Zongwen,LIU Shujie,GENG Yanan,et al.Study on well drilling and completion engineering affected to production of coalbed methane well in Shizhuang Block[J].Coal Science and Technology,2017,45(12):182-188.

[20] 张晓娜,康永尚,姜杉钰,等.沁水盆地柿庄区块3号煤层压裂曲线类型及其成因机制[J].煤炭学报,2017,42(S2):441-451.

ZHANG Xiaona,KANG Yongshang,JIANG Shanyu,et al.Fracturing curve types and their formation mechanism of coal seam 3 in Shizhuang block,Qinshui basin[J].Journal of China Coal Society,2017,42(S2):441-451.

[21] 蔡路,姚艳斌,张永平,等.沁水盆地郑庄区块煤储层水力压裂曲线类型及其地质影响因素[J].石油学报,2015,36(S1):83-90.

CAI Lu,YAO Yanbin,ZHANG Yongping,et al.Hydraulic fracturing curve types of Qinshui Basin and their coal reservoirs in Zhengzhuang block,geological influence factors[J].Acta Petro lei Sinica,2015,36(S1):83-90.

[22] 韩文龙,王延斌,刘度,等.煤层气直井产气曲线特征及其与储层条件匹配性[J].煤田地质与勘探,2019,47(3):97-104.

HAN Wenlong,WANG Yanbin,LIU Du,et al.The matching of gas production curve characteristic and reservoir conditions in vertical coalbed methane wells[J].Coal Geology & Exploration,2019,47(3):97-104.

[23] 赵贤正,朱庆忠,孙粉锦,等.沁水盆地高阶煤层气勘探开发实践与思考[J].煤炭学报,2015,40(9):2131-2136.

ZHAO Xianzheng,ZHU Qingzhong,SUN Fenjin,et al.Practice and thought of coalbed methane exploration and development in Qinshui Basin[J].Journal of China Coal Society,2015,40(9):2131-2136.

[24] 陆小霞,张兵,吴见,等.柿庄北区块深部煤层气产能特征及影响因素分析[J].煤炭科学技术,2018,46(6):92-100.

LU Xiaoxia,ZHANG Bing,WU Jian,et al.Analysis on production features and influence factors of coalbed methane in deep section of north Shizhuang Block[J].Coal Science and Technology,2018,46(6):92-100.

Influence of normal development faults characteristics on the exploitation of vertical coal-bed methane wells:A case study of the Shizhuang Block in the south of Qinshui Basin

HAN Wenlong1,WANG Yanbin1,NI Xiaoming2,LI Yong1,TAO Chuanqi3,LIU Zhenming1,WU Xiang4

(1.College of Geoscience and Surveying EngineeringChina University of Mining and Technology (Beijing),Beijing 100083,China; 2.School of Energy Science and EngineeringHenan Polytechnic UniversityJiaozuo 454000,China; 3.School of Mining Engineering,Liaoning Shihua University,Fushun 113001,China; 4.China United Coalbed Methane Corporation LimitedBeijing 100011,China)

Abstract:To understand the influence mechanism of fault development characteristics on the development of coalbed methane (CBM) and reveal its production control mode,the No.3 coal seam in Shizhuang Block,Southern Qinshui Basin was taken as the research object and the influence characteristics of normal faults of different scales and combination forms on the physical properties,engineering effect and drainage of coal reservoirs were analyzed.Six factors such as gas content,coal structure,permeability,well diameter expansion rate,fracture pressure and daily water production under the control of normal fault were selected,and the primary and secondary relations of different factors on gas production were analyzed using grey correlation method,and then the main control methods of normal faults on gas production were revealed.The results show that the influence of normal fault on gas production is controlled by its own nature,scale and location,and there is a certain distance range.The control range of upper wall of Sitou fault is about 300 m,and the control range of the lower wall of Sitou fault is about 250 m.The control range of the upper wall of F11 fault is about 250 m,and the control range of the lower wall of the F11 fault is about 200 m.As the upper plate of the normal fault is active disk,the shear stress along the fault plane is greater than that of the lower disk,so that the influence range of the upper disk is larger than that of the lower disk.With the decrease of the distance from the fault,the influence of the normal fault increases,which is characterized by the decrease of gas content and fracture pressure,the increase of pore fracture development degree and well diameter expansion rate,the more broken coal body structure,and the more complex fracture curve shape.It is considered that the normal fault is formed under the action of tectonic stress,and there is a stress concentration zone near the fault plane.Under the influence of stress concentration,the coal seam in this area is obviously deformed and ruptured,and the mechanical strength of the coal seam in this area decreases greatly.With the increase of the distance from the fault,the stress action intensity decreases gradually,and the deformation fracture also weakens gradually.At the same time,the tension cracks are generally developed around normal faults,and then change into the compression and torsional fractures with the prolongation of distance.The opening degree of tension cracks is low,and after reaching a certain distance,they become tensioned.Therefore,the closer it is to the normal fault,the more complex the geological conditions are,the more difficult it is to carry out the project,and the worse the gas production is.The normal fault mainly affects the daily gas production of coalbed gas wells by controlling per-meability,gas content and communicating aquifers.In order to achieve the efficient exploitation of CBM near the fault,some considerations should be paid to whether these parameters are abnormal or not.

Key words:Qinshui Basin;Shizhuang south Block;fault development characteristics;coalbed methane vertical well;coalbed methane development

中图分类号:P618.11

文献标志码:A

文章编号:0253-9993(2020)10-3522-11

移动阅读

韩文龙,王延斌,倪小明,等.正断层发育特征对煤层气直井开发的影响——以沁水盆地南部柿庄南区块为例[J].煤炭学报,2020,45(10):3522-3532.

HAN Wenlong,WANG Yanbin,NI Xiaoming,et al.Influence of normal development faults characteristics on the exploitation of vertical coal-bed methane wells:A case study of the Shizhuang Block in the south of Qinshui Basin[J].Journal of China Coal Society,2020,45(10):3522-3532.

收稿日期:2019-07-03

修回日期:2019-12-01

责任编辑:钱小静

DOI:10.13225/j.cnki.jccs.2019.0890

基金项目:国家科技重大专项资助项目(2017ZX05064003-001,2016ZX05066001-002)

作者简介:韩文龙(1991—),男,河北唐山人,博士研究生。E-mail:hanwl0417@126.com